Cari Blog Ini

Selasa, 29 Januari 2019

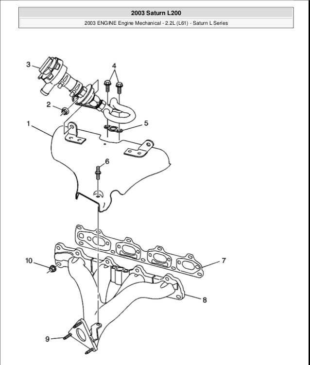
Download 2003 Saturn 2 2 Engine Diagram Background. Engine control module, transmission control module. Fuse box diagram (location and assignment of electrical fuses and relays) for saturn vue (2001, 2002, 2003, 2004, 2005, 2006, 2007).

Saturn L300 Engine Diagram Cylinder 6 S3000 Wiring Diagram Hinoengine Yenpancane Jeanjaures37 Fr
Saturn L300 Engine Diagram Cylinder 6 S3000 Wiring Diagram Hinoengine Yenpancane Jeanjaures37 Fr from f01.justanswer.com
Saturn game console pdf manual download. Adobe acrobat document 1.2 mb. Sega saturn magazine was a monthly uk magazine dedicated to the sega saturn.

3:11 arocks arox 32 092 просмотра.

Would the engine in the sc1 fit in the sc2 without much … read more. Saturn game console pdf manual download. Fuse box diagram (location and assignment of electrical fuses and relays) for saturn vue (2001, 2002, 2003, 2004, 2005, 2006, 2007). It says your saturn has a timing chain,click here to see the timing chain removal guide,stroll down a ways to get to the 2.2 engine.


Leave a Reply

Subscribe to Posts | Subscribe to Comments

- Copyright © Car Fuse Box Diagram - Skyblue - Powered by Blogger - Designed by Johanes Djogan -